
SERVICE


Chapitre II Principe de transmission série HW
Section I Structure de la transmission série HW
I. Structure d'entraînement de la transmission de la série HW.
La boîte de vitesses principale de la transmission de la série HW adopte une structure à double arbre intermédiaire, les deux
les arbres intermédiaires ont un angle de 180° ; la boîte de vitesses supplémentaire adopte un pignon planétaire
structure. La puissance d'entrée de l'arbre d'entrée est divisée entre les deux arbres intermédiaires, puis
afflux dans la broche, enfin sortie par l'engrenage d'entraînement planétaire de la boîte de vitesses supplémentaire pour
réaliser le transfert de puissance.
1. Transmission série HW19710
La transmission de la série HW19710 est composée d'une boîte de vitesses principale, à deux sections
boîte de vitesses supplémentaire. La boîte de vitesses principale a cinq vitesses vers l'avant, et le
la boîte de vitesses supplémentaire a deux vitesses, il y a donc dix (5 x 2) vitesses avant et deux
décalage inverse. La structure de l'entraînement principal est illustrée à la figure 2-1 :
La boîte de vitesses principale est à commande manuelle et la boîte de vitesses supplémentaire est à commande pneumatique.
Les dispositifs de fonctionnement et de contrôle de la transmission de la série HW 19710 ont des styles de
dispositif de changement de vitesse double H à levier unique et dispositif de changement de vitesse double H à double levier.

Figure 2-1 : Structure de l'entraînement principal de la transmission de la série HW19710
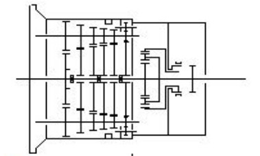
II. Structure de contrôle de la transmission de la série HW
1. Transmission série HW19710

Figure 2-2 : Structure de contrôle de la transmission de la série HW19710
La structure de contrôle de la transmission de la série HW19710 est illustrée à la Figure 2-2.
Le ressort de centrage et la bague de siège de centrage sont installés sur l'axe de changement de vitesse, qui unit
et compose un verrou de changement de vitesse avec une petite coque de boîtier et une bague d'espacement pour former 3 changements de vitesse clairs
postes. Ces 3 positions parallélisent 3 positions de tête de changement de vitesse ; chaque poste peut
balancer avant et arrière pour former deux quarts de travail. La structure de contrôle de HW19710 coopère
avec la fourche d'insertion de contrôle direct de l'air, peut réaliser 10 décalages vers l'avant et 2 décalages vers l'arrière.
Fourchette de verrouillage, tête de changement de vitesse, bloc d'essieu de fourche unir et composer le verrouillage de changement de vitesse
structure. La tête de changement de vitesse est opposée aux deux rainures de la fourchette de verrouillage. Seul
lorsque la fourche se bloque directement à l'opposé de la rainure de la fourche de verrouillage, la fourche
le bloc peut être retiré pour réaliser le changement. Si la tête de changement de vitesse n'est pas opposée à la rainure de
l'emboîtement, le bloc de fourche ne peut pas être retiré de l'emboîtement, puis ne peut pas
se rendre compte de changer. Cela garantit que le décalage ne peut être modifié que dans les trois décalages clairs
positions pour réaliser une fonction de verrouillage fiable.
Le bloc de serrure de secteur, l'axe de goupille de serrure, le ressort de serrure unit et compose la structure de serrure
ce qui assure la fiabilité du verrouillage.
Section II Route d'entraînement et figure de décalage de la série HW
Transmission
I. Itinéraire d'entraînement de la transmission de la série HW.
1. L'itinéraire d'entraînement de la transmission de la série HW 19710 est illustré à la figure 2-3.


Figure 2-3 : Route d'entraînement de la transmission de la série HW19710
II. Chiffres de décalage de la transmission de la série HW

Figure 2-4 Figure de décalage de la transmission de la série HW19710
Principaux paramètres technologiques de la transmission de la série HW 19710


Nous sommes l'agence pour la série de camions en gros SINOTRUK, nous pouvons fournir des camions tracteurs HOWO, des camions bennes HOWO, des camions remorques, des pièces de camions, des machines agricoles, des machines et pièces de construction, des camions malaxeurs HOWO, des camions spéciaux, etc. pour nos clients avec une bonne qualité et un prix compétitif, car nous obtenons directement le soutien de l'usine CNHTC.

Principaux produits
1. Camion à benne basculante / Camion à benne basculante
2. Camion tracteur Hohan/ Camion moteur
3. Camion avec grue / Grue montée sur camion
4. Camion-citerne à mazout / Camion-citerne à carburant
5. Camion-citerne à eau / Camion-citerne à eau / Camion-arroseur à eau
6. Camion malaxeur à béton
7. Camion fourgon / Camion isolé / Camion frigorifique
8. Camion d'aspiration fécale/camion d'aspiration des eaux usées
9. Camion-citerne de poudre de ciment/remorque de ciment en vrac
10. Camion d'opération à haute altitude
11. Semi-remorque (remorque à plateau/remorque squelette/remorque à benne basculante/remorque à paroi latérale/remorque surbaissée/remorque à conteneurs, etc.)


Articles Similaires
Message en ligne